matematykaszkolna.pl
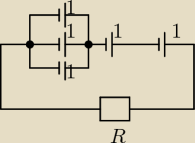
i dwukropek: rysunekJeśli w obwodzie przedstawionym na rysunku, SEM każdego z ogniw równa się 1 V a opór wewnętrzny 0,5Ω, to jakie jest natężenie prądu płynącego przez opornik R o oporze 0,5 Ω ? ( tam gdzie są 1 powinny być plusy +)
14 kwi 14:27
dwukropek: ?
15 kwi 10:06
moabie: upraszczamy 3 równoległe źródła: U1=1 || 1 || 1 = 1V, Rwew1= 0,5Ω || 0,5Ω || 0,5Ω = 0,166Ω upraszczamy 2 szeregowe źródła: U2 = 1+1 = 2V, Rwew2 = 0,5Ω+0,5Ω = 1Ω Ucałk= 2V + 1V = 3V, Rwew= 0,166Ω+1Ω = 1,166Ω natężenie prądu:
 U Ucałk 3V 
I =

=

=

= 1,8A
 Rz Rwew+R 1,666Ω 
15 kwi 10:34
dwukropek: dziekuje juz wiem chyba o co chodziemotka
15 kwi 10:50