f
dwukropek:

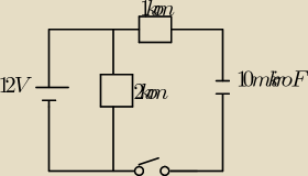
Obliczyć natężenie prądu płynącego ze źródła w obwodzie przedstawionym na rysunku w chwili
włączenia włącznika oraz po naładowaniu kondensatora. Kondensator był początkowo rozładowany.(
tam gdzie jest 1 powinno być 1 k Ω a gdzie 2 to powinno być 2kΩ, 10μF)
14 kwi 14:07
dwukropek: pomocy:(
15 kwi 10:46
moabie: w chwili włączenia nienaładowany kondensator jest zwarciem (ładuje się), po naładowaniu
rozwarciem,
więcej nie podpowiem.
15 kwi 10:50
dwukropek: no ok, dzięki i za to, jak coś wykombinuje to dam do sprawdzenia
15 kwi 11:08