matematykaszkolna.pl
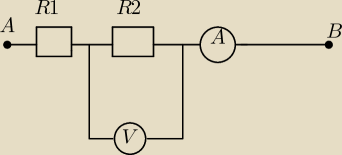
fizyczka dwukropek: rysunekW układzie wartości oporów wynoszą: R1 = 20 [Ω], R2 = 30 [Ω], zaś wskazanie woltomierza UV = 60 [V]. Jakie są wskazania amperomierza oraz wartość napięcia między punktami A i B?
14 kwi 13:53
dwukropek: moabie czy mogłabys spojrzeć też na to?
15 kwi 10:47