Mała Prośba
Grześ: Witam wszystkich Forumowiczów. Mam taka małą prośbę.
Dałby ktoś treść paru zadań, niezbyt trudnych związanych z prądem przemiennym.
Dziękuję z góry
10 sty 18:32
bart: napiecia, opory itd?
10 sty 18:34
Grześ: Ogólnie, nie siedzę zbyt w prądzie zmiennym, chodzi mi o takie w miarę proste zadania.
10 sty 18:35
bart: Żarówka ma dane znamionowe 220V i 100 W. Jaka bedzie moc żarówki po właczeniu
jej do sieci o napieciu 110V?
10 sty 18:38
Grześ: 50 W, zbyt łatwe
10 sty 18:39
Noah: Hmm masz zbiorek Chyli?;>
10 sty 18:39
grzesiek312: może coś z metody symbolicznej? jaki stopień zaawansowania Cię interesuje?... prądy
sinusoidalne?
10 sty 18:40
Grześ: nie, mam z Zamkora
10 sty 18:40
Grześ: nie jestem na rozszerzonej fizyce, nawet nie wiem co to ta metoda symboliczna szczerze.
Najlepiej jakby ktos podrzucił link do skserowanego zbioru i bym sobie przejrzał. Albo ktos
umieścił tu jakies treści zadań


Bardzo Was proszę
10 sty 18:42
bart: Grześ.. 25 W
10 sty 18:44
bart: wiedzialem, ze tak zrobisz
10 sty 18:44
grzesiek312: Więc tak! Pewnie nawet nie jesteś świadom, że interesuje Cie w gruncie rzeczy prąd stały. (Prąd
przemienny wyrażony bywa jako funkcja okresowa).
Jeśli chodzi o proste zadania związane z liczeniem napięć, prądów oraz oporów, to zaraz coś
poszukam...
10 sty 18:44
Noah:

Jaką czestoliwosc ma prad przeminny plynacy w obwodzie pokazanym na rys. jezeli zawada obowdu
Z
RC=20Ω
10 sty 18:45
bart: co w srode piszesz taaa?
10 sty 18:46
Noah: Do sieci o napieciu skutecznym U
s=220V właczono szerogowo kondesator o pojemnosci C=20μF,
opornik o oporze R
1=10Ω oraz cewkę o indukcyjnosci L=0,1H i oporze R
2=1Ω. Jakie jest
natezenie pradu plynacego w tym obwodzie? Jaka jest moc pradu? Czestotliwosc f=50Hz. Oblicz
natezenie pradu plynacego w obowdzie przy czestotliwosci rezonansowej.
10 sty 18:48
Grześ: Nie, ja nic nie piszę.
Szukam paru zadanek na prezentacje
10 sty 18:49
Grześ: O kurde Noah, ciekawe zadanka, ale nie jestem zaznajomiony jeszcze dobrze ze wszystkimi
wzorami.
Najlepiej jakby ktos przedstawił kroki rozwiązania.
Wiem, dziś pierwszy raz proszę, aby to mnie rozwiązano zadanko

:
10 sty 18:50
bart: ej Grzesiu ale z zarowka skopales!

popraw
10 sty 18:50
Trivial: bart jak tam próbna?
10 sty 18:50
10 sty 18:51
Grześ: wiem bart, policzyłem sobie na kartce i wychodzi 25 W. A tak poza tym, to przedstawione zadania
przez Noaha proszę o rozwiązanie

10 sty 18:53
Noah: do pierwszego
R=
√(ZRC)2−R2
wstawiasz i wyliczasz

do drugiego to:
| | 1 | | 1 | |
ZRLC=√(R1+R2)2+(ωL− |
| )2=√(R1+R2)2+(2πfL− |
| )2 |
| | ωC | | 2πfC | |
10 sty 18:56
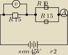
bart:

dobra bo ten rysunek malo dokladny R=10Ω 15Ω i 15Ω SEM=4,5V r=2Ω. Oblicz napiecie i natezenie
wskazywane przez urzadzenia pomiarowe
10 sty 18:57
10 sty 18:58
bart: probna? Granica byla− nie przerabialem jeszcze
10 sty 18:58
Trivial: Granice? lim x to 0 sinx/x = 1!
10 sty 18:58
bart: chyba nie tego chcieli
10 sty 18:59
Trivial: Granica to chyba o tych ludziach co pracowali w kopalni. Mam jakieś urywki.
10 sty 19:01
Noah: Koledzy wszystko ma swoje "limesy"

Grzes czyli podobaja Ci sie moje zadania?
10 sty 19:03
bart: mnie nie pytaj
10 sty 19:03
10 sty 19:05
Trivial: Fizyka to niestety kosmos. Dzisiaj miałem równanie oscylatora harmonicznego na ćwiczeniach. Ach
te różniczki!
10 sty 19:05
Grześ: Wiem, że to jest kosmos, ale mi chodzi o zadania na poziomie prezentacyjny przed całą klasą o
powiedzmy poziomie takim jak pierwsze zadanie Noaha.
Nie ma sensu trudniejszych bo choc ja nad nimi usiądę i zrozumię, to jeszcze to musze
przedstawić

10 sty 19:07
bart: x=Asin(ωt+ϱ) ale ja pamietam ze cos tam pozniej pochodnymi sie liczylo kolejno V, a i F
10 sty 19:10
Grześ: Dobra, może zwróćcie prosze uwagę na moja malutka prośbę. Raz jeden proszę Was o niewiele


:
10 sty 19:12
Noah: No to moze Jakie jest maksymnalne napiecie pradu przemiennego ktorego napiecie skuteczne jest
rowne U=230 V (banal

)
Oblicz opor pojemnosciowy kondesatora o pojemnosci C=1μF wlaczonego do obwodu, w ktorym plynie
prad o czestotliwosci f=50Hz
| | 1 | |
korzystasz do tego zadania z opru pojemnosciowego czyli Rc= |
| gdzie ω=2πf zatem |
| | ωC | |
10 sty 19:12
Noah: Jkaby co moge wiecej
10 sty 19:13
Grześ: Czy w zadaniu pierwszym wynik to 115
√2 V

Czy sie mylę
10 sty 19:16
Grześ: znaczy się 230√2 V
10 sty 19:16
10 sty 19:20
10 sty 19:22
bart: ale skubany idzie na łatwizne
10 sty 19:26
10 sty 19:27
Noah: Moze takie Zaklad przemyslowy pobiera moc P
0=100kW za posrednictwem lini przesyłowej
pracujacej pod napieciem U=10kV. Jaka jest moc tracona na teej lini jezeli opor R=20Ω
P
0=U*I
P
s−moc szukana
P
s=IU
2
P
s=I
2R
10 sty 19:28
Grześ: Dobre zadanie, rozumiem rozumiem

10 sty 19:29
Grześ: Jeszcze jakies jedno i to wszystko

10 sty 19:33
Grześ: Odświeżam. Może masz jeszcze
Noah Jakies zadanko ?

10 sty 19:50
Noah: Jaka pojemnosc musialby miec kondesator obwodu rezonansowego w ktorym znajudje sie cekwa o
indukcyjnosci l=10
</sup>[−3}H aby rezonans nastapil dla czestotliwosci f=105Hz?
10 sty 20:09
Noah: o indukcyjnosci L=10−3H
10 sty 20:10
Noah: co jest xD
10 sty 20:10
Trivial: Ale wy malutcy jesteście!
10 sty 20:11
Trivial: </sup>Zadziała?
10 sty 20:12
Trivial: Nie.
10 sty 20:12
Noah: Hehe ale smiesznie
10 sty 20:12
Trivial: nom
10 sty 20:13
Grześ: O nie widziałem zadania.
Tam indukcyjnośc jest 10
−3 H
10 sty 20:38
Noah: ta

to jest do Licuem zadanie jaka klasa i profil poweidz?
10 sty 20:39
10 sty 20:41
Noah: Jkaby co to wez to 2 zadanie co dalem i jakby co to dal ci kolega z mat−fizu z podkarapcia
10 sty 20:42
kornel eberhar:
19 lis 23:50