zadania z elektroniki
Michał:

Cześć , dostałem się na elektronikę i telekomunikację i rozwiązuje sobie zadanka z tego
kierunku. Obecnie próbuje rozwiązać problem składający się z bramek i przerzutników (dostałem
od jakiegoś studenta zadania z tego kierunku). Nie bardzo wiem jak się za to zabrać, bo muszę
wyznaczyć siatke stanów wew. i s. przejść i wyznaczyć zjawiska zachodzące w układzie. Podpowie
mi ktoś?
2 sie 19:20
Michał: Dodam, że jestem po liceum

i chce nadrobić te działy, które są dla mnie magią na chwile
obecną.
2 sie 19:23
Mila:
Wejdź na stronkę fizyka.pisz
2 sie 19:26
albertqwert: przerzutniki posiadają f.wzbudzeń (tak na marginesie)
2 sie 21:35
Piotr 10: To zadanko to raczej na elektroda.pl bym celował
2 sie 21:54
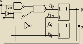
albertqwert: masz tu rozwiązanie, bazgrałem myszką ale się doczytasz
http://zapodaj.net/images/e37028d08f7d6.jpg
rozwiązaniem jest zaznaczenie grup jedynkowych w siatkach
zjawisko sam sobie opiszesz, występuje zjawisko
hazardu
3 sie 14:28
Michał: dzięki za klarowne objaśnienie

!
3 sie 18:01